Blender Training: Lesson 2
Years:
Lesson 2
Modeling An Airplane:
Reference Files
Part 1: Modeling the Cabin:
Step 1: Left Click the cube and press Delete on the keyboard to delete it.
Press Numpad 1 to snap to the Front Orthographic view.
In the “Add” menu, choose Image → Reference, then navigate to the “Cross-Section.png” reference image and click “Load Reference Image.”

Step 2: In the “Data” tab of the Properties panel, check the “Opacity” checkbox and set the value to 0.2.
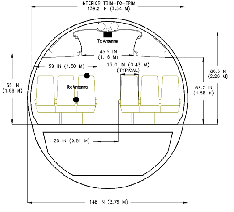
With the reference image still selected, zoom in and observe the small circle in the top middle of the cabin cross-section, just above the solid black rectangle.
Now, Grab [G] the reference image, press X to lock it to the X axis, and drag it to the right until the blue line that represents the Z axis of your scene appears to align with the center of the small circle. You can hold shift while grabbing to move your selection more slowly and precisely.

Step 3: In the “Add” menu, choose Mesh → Circle to add a circle to the scene, then STOP! Before you press anything, notice the small menu that appeared in the left-hand corner of the viewport. This is a context menu that temporarily appears when you perform an operation, and which allows you to edit some parameters related to that operation.
Expand the “Add Circle” menu by left clicking the small arrow, then change the “Rotation” X value to 90.
The reference image gives us a real world dimension of 3.76m for the outer diameter of the Cabin section, but the Add Circle menu specifies a radius. Fortunately, all numeric entry boxes in Blender can function as calculators, given the proper syntax.
Set the “Radius” value to 3.76 / 2 and Blender will automatically perform the division and correctly size the circle. Don’t worry if the size of the circle doesn’t appear to match the reference image.

Step 4: The circle is now the correct size as given to us by the reference dimension. But it doesn’t match the reference image. This is because the reference image gets imported into our scene at an arbitrary size and is not to scale. We will have to scale it ourselves.
Grab [G] the reference image, press Z to lock to the Z axis, then drag the selection down until the outer circumference of the Cabin appears concentric with our circle as shown. Left Click to confirm the operation.
Set the Transform Pivot Point to “3D Cursor.” This will ensure that when we scale the image, it scales from the center of the scene, rather than its origin point, which is offset.
Now Scale [S] the reference image slightly until the outer circumference of the Cabin matches our circle. Left Click to confirm the operation.
Set the Transform Pivot Point back to “Median.”

Step 5: The top of the circle is now neatly aligned with the reference, but the bottom of the circle is not. This is because the shape of the Cabin is not a perfect circle. Fortunately, we can adjust the lower vertices of our circle to fit.
Left Click the circle to select it. If you’re having difficulty selecting it through the reference image, you can also select it by Left Clicking the corresponding entry in the Outliner.
Press Tab to enter edit mode, then select the vertices that deviate from the reference as shown by holding Ctrl and Left Clicking. Ctrl + Left Click allows you to select a chain of geometry. Try clicking the first vertex on the Left and then Ctrl + Clicking the last vertex on the right.
Grab[G] the selection, press Z to lock it to the Z axis, then drag it down to the bottom of the cabin in the reference image. Left Click to confirm the operation.
Scale[S] the selection by dragging the pointer in towards the center of the screen. Try to match the radius of the lower cabin in the reference.
Continue to Grab[G] & Scale[S] the selection as needed to align with the reference. Remember to lock to the Z axis when scaling to avoid creating asymmetry.
Pulling those vertices down stretched out one of our edges on each side.
Hold Ctrl and press R to activate the Loop Cut tool, then hover over the stretched edge to add an extra vertex in the middle. Left Click to confirm the operation, then press Esc to cancel the Vertex Slide operation. Do this to the opposite side as well.
Hold Shift and Left Click to select the vertices we just added, then Scale[S] them by dragging the pointer out slightly toward the edge of the screen, until they align with the reference.

Step 6: Now we’ll add the interior edge of the Cabin. For simplicity, I am ignoring the lower deck and overhead baggage compartments for now.
Press A to select the entire mesh, then Press E to activate the Extrude command. The Extrude command automatically starts a Grab operation by default to position the new geometry. Press Esc to cancel this.
Scale[S] the selection in to align with the inner wall of the Cabin in the reference as shown.

Step 7: We will establish the floor of the Cabin. I am ignoring the lower deck cavity for simplicity.
Hold Ctrl and Left Click to select the vertices that are closest to the lower inside corners of the Cabin floor in the reference as shown.
Grab[G] the selection, lock to the Z axis, then drag the selection up until the first and last vertex in the chain are level with the floor of the cabin. We will adjust the rest of the vertices in just a moment.
We could drag the rest of the vertices up to the floor level one at a time, but this would be slow and imprecise. Instead, we’ll do the following:
Hold Shift + Left Click to select the 2 corner vertices, then hold Shift and press S to open the 3D Cursor Snapping menu and choose the “Cursor to Selected” option. This will move the 3D cursor to the median point of our selection, which in this case, places it at the center of the Cabin floor in the reference.
Change the Transform Pivot Point to “3D Cursor.” so that the center of the Cabin floor becomes the pivot point for our selection.
Hold Ctrl + Left Click the same chain of vertices we selected earlier, then Scale[S] the selection, press Z to lock it to the Z axis, and press 0 on the keyboard to scale the selection by a factor of 0. This should make your entire selection level with the Cabin floor. It works like this:
The Scale operation grows and shrinks your selection by multiplying the XYZ positions of the vertices, relative to the pivot point, by the scale factor. Since any number multiplied by 0 = 0, scaling by a factor of 0 collapses the entire selection to the pivot point. But because we locked our scale operation to the Z axis, instead the vertices snap to the pivot point only in the Z direction.
Change the Transform Pivot Point back to “Median.”

Step 8: Now we’ll give our Cabin a length. Instead of tackling the entire length of the airplane at once, we’ll start with a just a 2 meter section.
Press Z to switch to Wireframe mode, then Orbit the camera to a 3D view, and press A to select the entire mesh.
Press E to activate the Extrude command, drag your pointer over to the right side of the screen and press 2 on the keyboard to extrude a shape 2m long. Left Click to confirm the operation.

Part 2: Modeling the Cockpit:
Step 1: Click the “Transform Pivot Point” dropdown box and set it to 3D Cursor. This will make it easier to resize the reference image. Then Press Shift + C to ensure that the 3D cursor is at the scene origin.
Step 2: Press Numpad 3 to snap to a Side Orthographic view. Then, in the “Add” Dropdown box, choose Image → Reference, browse to Airplane1.jpg, and click Load Reference Image.

Step 3: Press Z and change your viewport shading to Wireframe. Then Left Click to select the image, and in the properties panel under the “Data” tab, tick the “Opacity” check box and and set the opacity value to 0.2. This will make the reference image semi-transparent so we can better see our model edges.

Step 4: Grab [G] and Scale [S] The image as needed to match the size of the Cabin section we modeled. Align the image so that the first passenger window is positioned within the Cabin section; don’t worry if the window cutouts in your model don’t match the reference. Try to align the image so that the spaces between the front and rear edges of the Cabin section and the nearest windows are equal.

Step 5: Now we’ll establish a Top View reference for our model.
Press Shift + D to duplicate the Reference Image, then press Esc to cancel the move operation.
With the Reference Image still selected, press R to activate the Rotate command, and Y to lock rotation to the Y axis. Then enter 90 on the keyboard to rotate the image 90 degrees about the Y axis.
Press Numpad 7 to enter a Top Orthographic view.
Grab [G] the image, then press X to lock movement to the X Axis, and position the Top view in the Reference Image to align with our model. Do not use the Scale command in this step; we already set the size of the image in the last step.

Step 6: Let’s clean up the work space a bit.
Orbit the camera to get a 3D view of the work space, then move the 2 Reference Images clear of the model.
Grab [G] the Top View image, press Z to lock it to the Z axis, then drag it down below the model.
Grab [G] the Side View image, press X to lock it to the X axis, then drag it behind the model.

Step 7: In the Outliner, Right Click an empty area and choose “New Collection.” Then, Left Click the collection and press F2 to rename it to “Reference.” Collections are like filing cabinets for Scene Objects that allow us to better manage Object visibility. To add the reference images to the collection, hold Ctrl and Left Click all 3 Image Objects, (By default, they’re named “Empty”) and drag and drop them over the “Reference” Collection.
Lastly, select the “Reference Collection,” and in the “Collection” tab of the properties panel, uncheck “Selectable.” This will disable object selection for everything within the collection, and will prevent us from accidentally moving the Reference Images.

Step 8: We can organize the rest of our scene objects while we’re at it. Hold Ctrl and Left Click the Camera and Light, then press M and choose “New Collection,” and name it “Lights & Cameras.” That leaves only the 2 Objects that make up the Cabin, which are already in a Collection. Rename it to “Cabin,” by Left Clicking it and pressing F2.
Now let’s create a new Collection for the Cockpit by Right Clicking an empty spot in the Outliner, choosing “New Collection,” and naming it “Cockpit.” Left Click the newly created Collection to make it the active Collection where new Objects will be stored by default.

Step 9: To ensure that the Cockpit matches up exactly with the Cabin section, we can Duplicate the Cabin section profile to use as a base and work from there.
Left Click the Cabin section to select it and then press Tab to enter Edit Mode.
Select the outer most ring of edges by holding Alt and Left Clicking an edge. Hold Shift and repeat as needed to select all of the outer edges.
Press P and choose “By Selection” to copy these vertices into a new Object.
In the Outliner, drag and drop the newly created Object into the “Cockpit” Collection, and then Left Click the eye-shaped icon to the right of the “Cabin” Collection. This will hide the Cabin section so we can focus on the Cockpit.

Step 10: Click the “Transform Pivot Point” dropdown box and set it back to Median.
Step 11: Press Numpad 3 to enter a Side Orthographic view, then select the Object in the “Cockpit” Collection and press Tab to enter edit mode.
Press A to select all of the vertices, and Extrude [E] towards the front of the plane. Try to align your first extrude with the near edge of the door frame in the reference . Repeat this process for the far edge of the door frame. Grab [G] and Scale [S] your selection as needed to match the shape of the cockpit in the reference. Remember that you can hold shift while positioning your vertices to achieve finer control.

Continue to Extrude [E], Grab [G], and Scale [S] your selection up to the nose of the Cockpit as shown. If you need additional edge loops to match the curvature of the reference, you can add them with Ctrl + R. Don’t get carried away, though. Too many edge loops will become a hassle to manage, and we can always smooth out our shapes with a Subdivision Surface modifier later on.

Step 12: To fill in the end cap, orbit the camera around so you can see better, then with the vertices at the end of the nose selected, press the Space Bar to bring up your Command Lookup window, and search for “Grid Fill.” Grid Fill attempts to neatly fill a selection of vertices with 4-sided faces (Quads). Use the “Span” value in the context menu to adjust the number of desired faces, and the “Offset” value to rotate the pattern.

Step 13: We need to form these vertices into an elongated dome to match our references. To do this, we will use a tool called Proportional Editing, which allows us to manipulate a small selection of vertices, while also influencing nearby vertices according to a fall-off pattern. But first, we need to temporarily separate our mesh at the base of the cone, to prevent Proportional Editing from affecting anything we don’t want it to.
To do that, we will select the edge loop that represents the base of our nose cone by holding Alt and Left Clicking an edge, and then pressing H to hide those vertices.
Now, activate proportional editing mode, select the “Inverse Square” falloff pattern from the dropdown box, and then tick the “Connected” checkbox. When “Connected” is checked, Falloff will only affect connected geometry.
With proportional editing enabled, select the middle two vertices, Press G to grab, press Y to lock to the Y axis, and drag the vertices towards the nose. You can Scroll with the Mouse Wheel to increase or decrease the Falloff radius. When you’re satisfied, hold Alt and press H to unhide the vertices we hid earlier.

Step 14: To Finalize the overall shape of the cockpit, Press Numpad 7 to snap to the Top Orthographic view, select the edge loop at the rear of the cockpit and press H to hide it. This will prevent unwanted changes to the interface with the Cabin section.
Scale [S] edge loops to match the reference. Be sure to lock to the X axis when scaling so as not to affect the alignment of the mesh with the Side View reference.
You can also improve your surface topology with the “Smooth Vertex” command by pressing A to select all of your vertices and then pressing Ctrl + V
When you’re happy with the mesh, press Alt + H to unhide the vertices we hid earlier.

Step 15: Unlike the Cabin windows, the Cockpit windows represent a unique challenge in that they wrap around the curvature of the nose, and cut inwards normal to the surface. Therefore, our cutting Object must do the same. Press Tab to exit to Object Mode, then insert a plane with Add → Mesh → Plane, and in the “Add Plane” context menu, set the Y offset to -2
Press Tab to edit the plane, Rotate [R] it, press Y to lock to the Y axis, and enter 90 on the keyboard to rotate the plane 90 degrees about the Y axis.
Toggle off Proportional editing, toggle on “Snap,” then under the “Snapping” dropdown menu, Left Click the “Face Nearest” option, and the “Rotate” and “Scale” options.
The “Face Nearest” option automatically snaps the vertices in your selection to the nearest face belonging to another Object. We can use this to conform our plane to the curvature of the cockpit.
Grab [G] the vertices and hover over the Cockpit section. Your vertices will become obscured, but don’t worry; they haven’t disappeared.

Step 16: To cut out the window, our mesh needs thickness. We can accomplish this with some modifiers.
In the modifiers tab of the Properties panel, choose Add Modifier → Generate → Subdivision Surface
Left Click the “On Cage” option to preview the modifier while in Edit Mode and the “Realtime” option to disable visibility. We will use this later.
Set the “Levels Viewport” value to 2
choose Add Modifier → Generate → Solidify
In the Solidify modifier, Left Click the “On Cage” option to preview the modifier while in Edit Mode.
Check the “Even Thickness” box, then expand the “Normals” section and check the “High Quality” box.
Set the “Thickness” value to 0.5 and the “Offset” value to -0.6. Feel free to play around with these values to see how they affect the result.
Since our windows will be symmetrical, we can cut our workload in half and help with alignment by also adding a Mirror Modifier under Add Modifier → Generate → Mirror

Step 17: With snapping enabled you can begin to Grab [G] Individual vertices and move them along the curvature of the cockpit.
Press Z to bring up the Shading menu and switch back and forth from Solid to Wireframe. Refer to your Side reference with Numpad 3 and Top reference with Numpad 7 to help you size and position your windows. Note that the projection in our reference images is not perfect, so it may not be possible to perfectly align with the reference in both views. Just try to achieve something that looks good to you.
You can select the entire plane and press Shift + D to duplicate it to add the other window planes, and continue this process.

Step 18: Use Ctrl + R to add Edge Loops to our windows as shown. You can Scroll with the Mouse Wheel to increase or decrease the number of edge loops to cut. Adding these extra vertices helps the windows conform better to the surface of the cockpit, and allows us to further refine the shapes. We will address the rounded corners in the next step.

Step 19: Left Click the “Realtime” option to unhide the Subdivision Surface modifier we added earlier. You can see how this has helped to smooth the shape of our windows, but the effect on the corners is a bit too strong.
We can address this by assigning a “Crease” value to the corner vertices, which tells the Subdivision Surface modifier to adjust its smoothing algorithm in the areas we designate.
Use Shift + Left Click to select the corner vertices of your windows that need sharpening, then in the “Item” tab near the Outliner, set the “Vertex Crease” value to 0.30. Feel free to play with this value to see the effect.

Step 20: When you’re happy with the shape of your windows, press Tab to exit edit mode.
Then Shift + Left Click the Cockpit section and under the “Edit” tab near the Outliner, Left Click the Brush Boolean “Difference” option to cut out your windows. You should see deep recesses where the windows aught to be. This is because we haven’t yet given a thickness to our cockpit, so there are no interior faces to cut through to make a hole.
With the cockpit section selected, in the Modifiers tab of the Properties panel, choose Add Modifier → Generate → Solidify.
Like before, check the “Even Thickness” option, then expand the “Normals” section and check the “High Quality” option. Since we’re working in Object Mode here, we don’t need the “On Cage” option this time.
Orbit around so you can see the Cross Section reference image.
Then set the “Offset” value to -1, and adjust the “Thickness” value until it closely matches the reference.

Step 21: Now we’ll make the door.
Choose Add → Mesh → Plane to insert a mesh, Press Z to enter Wireframe Mode, and Press Numpad 3 to snap to the Side Orthographic view.
With the plane selected, Grab [G] and press Y to lock it to the Y axis, then drag it towards the nose until the small orange dot that represents the plane Origin is centered on the cockpit door in the reference.
Press Tab to go into Edit Mode, then toggle off the “Snap” option.
Rotate [R] and press Y to lock the selection to the Y axis, then enter 90 on the keyboard to rotate the plane 90 degrees along the Y axis.
Now Grab [G] and Scale [S] the vertices to match the reference.
Press Ctrl + R to add edge loops as shown. You can Scroll with the Mouse Wheel to increase or decrease the number of Edge Loops to cut.
When you’re done, press Z to change back to Shaded Mode, then orbit the camera to a 3D view.
Press A to select your entire mesh, Grab [G] and press X to lock it to the X axis. Then drag the selection outside of the cockpit toward you, and press Tab to enter Object Mode.

Step 22: Although, we could use the same approach we used for the windows to cut out our door frame, there’s an important modifier you should know about that we’ll use instead.
With your door selected, under the “Modifiers” tab of the Properties panel, choose Add Modifier → Generate → Subdivision Surface and set the “Levels Viewport” value to 2
Choose Add Modifier → Deform → Shrinkwrap, then Left Click the “On Cage” option, and under the “Wrap Method” dropdown menu, choose “Project.”
Check the “Negative” box, and Left Click the “X” option.
Where it says “Target,” Left Click the Eye Dropper Icon. This type of box takes a mesh Object in our scene as the input. With your Eye-Dropper tool activated, Left Click on the Cockpit section to make it the Shrinkwrap Target.
Your mesh should now be wrapped to the side of the cockpit.
Just as with the windows, we need to thicken this mesh to use it in a Boolean operation.
Choose Add Modifier → Generate → Solidify, then Left Click the “On Cage” option
Check the “Even Thickness” box, then expand the “Normals” section and check the “High Quality” box.
Set the “Thickness” value to 0.5 and the “Offset” Value to -0.5.
Now, let’s round the corners of our door.
Press Z to go into Wireframe Mode, then press Numpad 3 to snap to the Side Orthographic view, and press Tab to enter Edit Mode.
Shift + Left Click each of the corner vertices, press Ctrl + B to bevel, and then V to switch to vertex bevel mode. Scroll with your Mouse Wheel to increase the vertex count on each corner to 3, then drag until the corner radii match your reference.
Orbit your camera to a 3D view, Press Z to return to Shaded mode, and press Tab to enter Object Mode.

Step 23: In the Shrinkwrap modifier, Click the small dropdown arrow near the camera icon and choose “Apply.” This finalizes the changes from the Shrinkwrap Modifier to the base mesh.
We can now cut out the door frame, but before we do, press Shift + D and then Esc to make a copy of our cutting tool that we can later use to model the door itself.
Shift + Left Click to select the Cockpit section, and then under the “Edit” tab near the Outliner, choose Brush Boolean “Difference.”
You should now have a door frame cut into the cockpit. However, it is obscured by the door we copied earlier.
Left Click to select the door, then press Tab to enter Edit Mode.
Press A to select the entire mesh, then Scale [S] it slightly to create a small gap between the door and the frame.

Step 24: Lastly, we will create a window in the door. We could use the same method that we used to cut out the windows for the cockpit, but Boolean operations are expensive and we would likely begin to experience performance issues. Instead, we’ll directly edit our mesh to cut out a window.
Press Z to go into Wireframe Mode, then press Numpad 3 to snap to the Side Orthographic view, and press Tab to enter Edit Mode.
Press K to activate the Knife tool and Left Click on each corner of the door window to cut a rectangle into our mesh. Press Enter when you’ve finished tracing the window to confirm the cut.
Select the faces that represent your window, press Delete and choose “Faces”
You will see that the Subdivision Surface geometry behaves erratically. This is because the Subdivision Surface algorithm needs 4-sided faces (Quads) to work correctly, and adding the new vertices for the window, created a number of odd-sided faces (N-gons). To fix this, we will cut new edges between the corners of the window and nearby vertices on the door.
Press Shift + Left Click to select 2 vertices, then press J to join them with an edge as shown.
This improves our Subdivision Surface geometry, but the window corners are now much too rounded. We can fix these the same way we fixed the windows for the cockpit.
Press Shift + Left Click to select all 4 corners of the window, then in the “Item” tab near the Outliner, set the “Vertex Crease” value to 1
Press Tab to enter Object Mode, then Shift + Left Click the Cockpit section. Right Click to bring up the Object menu and choose “Shade Auto smooth” to see the final model.

Part 3: Modeling the Wings:
Step 1: Before we start modeling the wings, let’s get an idea of what the Cabin will look like at its full length. This will help us see where the wings need to intersect with the model.
In the Outliner, unhide the “Cabin” collection by Left-Clicking on the eye icon to the right.
Left Click the Cabin section to select it and under the Modifiers tab of the Properties panel, choose Add Modifier → Generate → Array.
In the Array Modifier, under the “Relative Offset” section, change the X value to 0 and the Y value to 1. This should extend your Cabin section. If the cabin duplicates in an inappropriate direction or orientation, try applying the rotation and scale of the cabin section by pressing Ctrl + A and choosing “Rotation & Scale.”
Set the “Count” value to 8.

Step 2: Let’s model the wings. Press Shift + C to to ensure that the 3D cursor is at the center of the scene, then press Numpad 7 to snap to the Top Orthographic view, and press Z to change to Wireframe mode.
In the Add menu, choose Mesh → Plane, then Grab [G] it, press Y to lock it to the Y axis, and position it roughly along the middle of the wing width in the reference as shown. Left Click to confirm the command. Then Press Tab to enter edit mode on the newly created plane.
In Edit mode, switch to Edge Select Mode, then Grab [G] the left-most edge of the plane, press X to lock it to the X axis, move your mouse to the right and press 1 on the keyboard to move the edge 1 meter to the right along the X axis. The default size of a newly created plane is 2 meters, so moving the edge 1 meter toward the center effectively splits the plane in half.
With the plane now split in half, under the Modifiers tab of the Properties panel, choose Add Modifier → Generate → Mirror. Now the changes you make to the right side of the mesh will be automatically mirrored to the left.
Finally Grab [G] the top, bottom, and left edge as shown so that the plane fully encloses the wings in the reference, then switch back to Vertex Select Mode.

Step 3: Here we will rely heavily on the Knife [K] tool to cut out our wing shape and define the inner edges we will use to create the wing slope.
In Edit Mode, Press K to activate the knife tool and begin tracing the reference by Left Clicking from point to point. You can do this in as many or as few operations as you need to. Simply press Enter when you want to confirm a cut, and K to activate the knife tool once again to continue. Note, if you need to, you can press X, Y, or Z to lock the knife tool to a particular axis.
If your cuts aren’t perfect, you can always switch back to Vertex select Mode, and Grab [G] to move individual vertices to better match the reference. You can also press Delete and choose the “Dissolve Vertices” and “Dissolve Edges” options to eliminate unwanted geometry without destroying faces.

Here, I cut edges across the wings to make all of my interior faces 4-sided (or Quads). Ideal model topology consists of 100% 4-sided faces that align with the flow of the model geometry, and are as uniform and square as possible. This is especially important when modeling an object with a curvy, organic shape, like the 3d curvature of our wings, or when you plan to use the Subdivision Surface modifier.

Step 4: In order to incorporate a cross-sectional curve in our wings, we will need additional interior geometry.
Press Ctrl + R to cut in additional edge loops. You can Scroll with the Mouse Wheel to increase or decrease the number of edge loops to add. Here I’m adding 2. Left Click to confirm the cut, and then press Escape to cancel the Edge Slide operation.
The additional edge loops will help us when we define the curvature of our wing, but upon reaching the wing tip, they become unnecessary and the geometry is more dense then we need.
Use the Knife [K] tool to cut some new edges as shown.
Switch to edge select mode, select the edges at the wing tip as shown, then press Delete and choose “Dissolve Edges.”
This leaves behind a trapezoidal shape, which helps us to achieve more uniform mesh density, while still maintaining good topology conditions. The trapezoid also redirects the “flow” of the geometry so that it better follows the interior edges defined in the reference.
Topology is equal parts art and science, so don’t worry if you don’t yet fully understand the difference between “good” and “bad” topology. It will become clearer with experience.

Step 5: We’re ready to give the wings some thickness.
Press A to select the entire mesh, then Press Numpad 3 to snap to the Side Orthographic view, and Z to change back to Solid shading.
Grab [G] the mesh, press Z to lock to the Z axis, and drag it down to roughly align with the height of the wings in the reference.
Finally, press E to Extrude the mesh, drag down slightly as shown and Left Click to confirm the operation.

Step 6: In the last step, we established the thickness of the wings at the tips. Now we’ll use proportional editing to thicken the wings where they intersect the cabin, tapering towards the tip and the edges of the wings as we go. But before we do, we have to mask off some areas that we don’t want affected by the proportional editing radius.
Switch to face select mode, then hold Shift + Left Click to select the faces along the thickness of the wing, as well as the faces around the edges of the wings as shown. You can add entire face loops to your selection by hovering near an edge of the face and holding Shift + Alt and Left Clicking. Don’t forget to select the top and bottom faces!
When you’re done, press H to temporarily hide the selection.
Select all of the remaining faces that intersect the cabin. I chose to select the top and bottom faces, but if you wish to match the reference, choose the bottom faces only. Then press Numpad 1 to snap to the Front Orthographic View.
Activate Proportional Editing, then under the Proportional editing dropdown menu, choose “Linear” for the falloff type, and make sure the “Connected Only” option is checked.
Scale [S] your selection, press Z to lock to the Z axis, then drag and Scroll with the Mouse Wheel to adjust the proportional editing falloff radius. You should be able to taper the wing thickness as shown.
When you’re satisfied, Left Click to confirm the operation, and turn off Proportional Editing.
Orbit the camera to a 3D view and press Alt + H to unhide the faces you hid earlier to see the result.

Step 7: Now we’ll add a little curvature to the wing profile.
Hold Shift and Left Click to select the interior most faces of the wing on the top and bottom as shown.
Scale [S] them out to make the wings thicker along their center-line. Try scaling top / bottom pairs of faces at different points along the length of the wing to try and match the tapering affect we created earlier.

Step 8: Next we’ll cut out the wing flaps to add a little detail. But before we do, let’s quickly check our face “normals” to make sure all is well. A Face “normal” refers to the direction the front of the face is pointing. Each face in a mesh has a front and back face, and its normal direction can change how the software treats it. In most cases, the front faces of a model point in the direction that the model is intended to be viewed from. For example, if a cube is meant to represent a six-sided die, the front faces should point out away from the model. If the cube is instead meant to represent a room interior, then the front faces would point inward, since the model is intended to be viewed from within. Face normals also affect boolean operations, which rely on face normals to distinguish the insides and outsides of the intersecting volumes.
To check our face normals, press Z to ensure you are in Solid shading mode, then check the “Face Orientation” box in the Viewport Overlays dropdown menu.
In general, faces that appear blue are pointing the right way. But if, like me, the faces of your wing are red, that means that the wing is inside out! This likely occurred when we first extruded the thickness.
To fix this, press A to select the entire mesh, then press Alt + N and choose “Recalculate Outside.” Confirm that your face normals are now correct, then uncheck the “Face Orientation” box in the Viewport Overlays dropdown menu.
If you find that certain commands aren’t working as you expect, it’s always a good idea to check your normals!

Step 9: Now that our normals are fixed, we can proceed with cutting out the wing flaps.
Press Numpad 7 to snap to the Top Orthographic view, then press Shift + Left Click to select the faces that represent our wing flaps as shown.
Duplicate [D] the faces, then press P and choose “Selection” to move them into a new scene object. Press Tab to exit to Object Mode
In the Outliner, select the object that represents your wing flaps, then in the Modifiers tab in the Properties panel, choose Add Modifier → Generate → Solidify to give the flaps thickness.
In the Solidify modifier, check the “Even Thickness” box, then expand the “Normals” section and check the “High Quality” box.
set the “Offset” value to 0, and the “Thickness” value to 0.1
With your object selected, hold Shift + Left Click to add the wing to your selection, then in the “Edit” tab near the Outliner, choose the Brush Boolean Slice option.
The Slice boolean removes the intersecting geometry from the target, and adds it to the scene as a separate object. I chose to only cut out the faces that represent the air brakes. But if you want, you can repeat this process for the other panels that appear in the reference.

Part 3: Modeling the Tail:
Step 1: Now we’ll create the tail section of the airplane. Since the tail section must join neatly to the cabin section, we’ll copy the outer geometry of the Cabin section to use as the start of the Tail section.
But first, in the Transform Pivot Point Dropdown menu, choose “Median,” then in the Snapping dropdown menu, choose “Center” from the “Snap With” subsection and “Vertex” from the “Snap To” subsection. With these options selected, we’re instructing Blender to snap the Transform Pivot Point of our selection to whichever vertex we hover over. And since we chose “Median” for the Transform Pivot Point, this means the Object Origin will be the snapping point when Grabbing in Object mode.
Now Left Click to select the Cabin section, Duplicate[Shift+D] it, and press Y to lock to the Y axis. Then drag the selection and hold Ctrl to snap to any vertex at the end of the cabin array as shown. Left Click to confirm the grab operation.
We’ll also eliminate the modifiers from our copy. Open the Modifiers tab in the Properties panel and click the “X” next to each modifier.

Step 2: We’ll eliminate the interior walls to start with.
Press Tab to enter Edit Mode and orbit the camera around as shown so you can see inside of the mesh. Then hold Shift + Alt + Left Click to select chains of edge loops until the interior edge loops on both ends of the Cabin copy have been selected.
Press Delete and choose Vertices.

Step 3: Let’s extrude the body of the Tail section.
Press Numpad 3 to snap to the Side Orthographic view, then press Z to change to Wireframe mode.
Hold Alt + Left Click to select the edge loop at the end of the mesh, then use a combination of Extrude[E], Grab[G], Scale[S] and Loop Cut[Ctrl + R] operations to align the mesh with the reference image as shown. We will finish the tip of the Tail section in the next step.
Remember that you can hold Shift while Grabbing, Rotating, or Scaling to achieve finer control over the operation.

Step 4: Finish the tail section by extruding your our edge loop out to the first step in the stair-step pattern.
Extrude[E] the edge loop, press Esc to cancel the edge slide, then Scale[S] the selection in and Left Click to confirm the Scale operation.
You may or may not find it useful to orbit the camera to a 3D view to better see as you Scale in the edge loops.
Extrude[E] the edge loop, press Y to lock to the Y axis and drag it to the edge of the next stair step.
Extrude[E] the edge loop, press Esc to cancel the edge slide, then Scale[S] the selection in and Left Click to confirm the Scale operation.
Extrude[E] the edge loop, press Y to lock to the Y axis and drag it to the end of the tail in the reference.
Extrude[E] the edge loop again, press Esc to cancel the edge slide. Then, with your edge loop still selected, press M to open the Merge menu, then choose “At Center” to cap off the tail.

Step 5: Lastly, we’ll make sure the shape conforms to the reference in the top view.
Press Numpad 7 to snap to the Top Orthographic view, then hold Alt + Left Click to select edge loops and Scale[S] them to match the reference. You may find it useful to use Proportional Editing to speed up the process.
When you’re finished, press Tab to exit to Object Mode.

Step 6: Let’s make a new Collection for the Tail.
Left Click to select the Tail section, then press M and choose “New Collection.” Name it “Tail”
In the Outliner, Left Click your new Collection to make it the active Collection.
